- Specifications
- Downloads
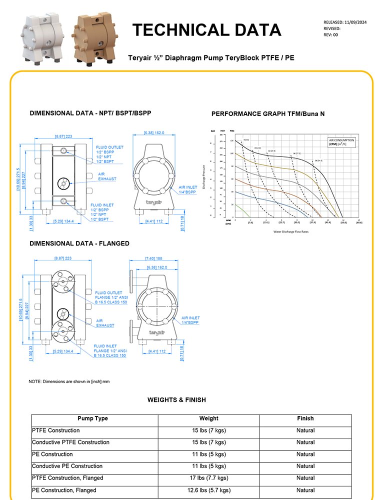
| 1/2" TeryBlock PTFE / PE | ||||
|---|---|---|---|---|
| Brief Specifications ( for full specs, download Technical Data Sheet) | ||||
| Max Flow rate TFM Buna N | 13.9 | gpm | 52.5 | lpm |
| Suction Dry TFM Buna N | 9.4 | ft | 2.8 | mtr |
| Suction Wet TFM Buna N | 24.9 | ft | 7.6 | mtr |
Teryair Polyethylene (PE) and Polytetrafluoroethylene (PTFE) Pumps are available in FDA compliant forms and can easily be made into conductive versions suitable for ATEX environments. Our Ultra High Molecular Weight (UHMW) PE and PTFE pumps have some major advantages over other materials and other types of PE.
| 1/2" TeryBlock PTFE / PE | ||||
|---|---|---|---|---|
| Brief Specifications ( for full specs, download Technical Data Sheet) | ||||
| Max Flow rate TFM Buna N | 13.9 | gpm | 52.5 | lpm |
| Suction Dry TFM Buna N | 9.4 | ft | 2.8 | mtr |
| Suction Wet TFM Buna N | 24.9 | ft | 7.6 | mtr |
This will close in 0 seconds